ILM723 Power Supply: A Comprehensive Guide

F.Radio 124 views
ILM723 Power Supply: A Comprehensive Guide

ILM723 Power Supply: A Comprehensive Guide

Hey guys! Today, we’re diving deep into the world of the ILM723 power supply . This little gem is a workhorse in many electronic projects, and understanding how it ticks is super important for anyone serious about DIY electronics or even professional repair work. We’ll break down what makes it special, how to use it effectively, and some common troubleshooting tips. So, buckle up, and let’s get this power supply party started! We’re going to cover everything from its basic specs to more advanced applications, making sure you feel like a pro by the end of this read. Whether you’re building a new gadget, fixing an old one, or just curious about the brains behind the power, this guide is for you. We’ll touch upon its reliability, versatility, and why it remains a popular choice for so many electronic enthusiasts. Get ready to unlock the full potential of your ILM723 power supply and take your projects to the next level!

Understanding the ILM723 Power Supply

Alright, let’s kick things off by getting a solid grip on what the ILM723 power supply actually is. At its core, the ILM723 is a voltage regulator IC (Integrated Circuit). Think of it as the brain of your power supply, controlling and stabilizing the output voltage. It’s designed to provide a stable, adjustable output voltage, which is crucial for a whole range of electronic devices that need a specific, consistent power source to function correctly. Unlike simpler power supplies that might just provide a raw, fluctuating voltage, the ILM723 ensures that the voltage remains steady, even if the input voltage or the load (the device drawing power) changes. This stability is key to preventing damage to sensitive components and ensuring optimal performance. The ‘ILM’ part often denotes a specific manufacturer or series, but the ‘723’ is the universal identifier for this type of regulator. It’s been around for a while, which is a testament to its robust design and effectiveness. Many engineers and hobbyists alike have relied on the 723 for decades because it’s dependable and offers a good balance of performance and cost-effectiveness. We’re talking about a component that can handle a decent amount of current and can be configured for various output voltages, making it incredibly versatile. Its internal circuitry includes features like overcurrent protection and thermal shutdown, adding layers of safety and reliability. This means that even if you accidentally overload it or it gets too hot, it has built-in mechanisms to protect itself and the connected circuitry. This is a huge advantage, especially when you’re experimenting or working with circuits where the load characteristics might be unpredictable. Furthermore, the 723 typically requires minimal external components to function, simplifying circuit design and reducing component count, which is always a win in our book, guys. It’s often found in bench power supplies, battery chargers, and various other power conditioning equipment. Its popularity stems not just from its core functionality but also from the wealth of documentation and application notes available, making it easier for anyone to implement. We’ll delve into how you can utilize its adjustable nature to your advantage in upcoming sections, but for now, just remember that the ILM723 is your go-to for stable, reliable power.

Key Features and Specifications

Now that we have a basic understanding, let’s get into the nitty-gritty of the ILM723 power supply ’s features and specs. Knowing these details will help you understand its capabilities and limitations. Firstly, it’s a positive voltage regulator , meaning it outputs a positive voltage relative to ground. The output voltage is typically adjustable , which is a massive plus. You can usually set it anywhere from around 2 volts up to a maximum that depends on the specific configuration and external components, often reaching up to 37 volts or even higher in some setups. This adjustability means you don’t need a different regulator for every voltage requirement; one ILM723 can cover a wide spectrum. Another critical spec is its output current capability . While the IC itself might have limitations, it’s designed to work with external pass transistors (like power BJTs or MOSFETs) that can significantly boost the current output. This allows you to power not just low-power microcontrollers but also more demanding circuits that require amperes of current. The datasheet usually specifies a base current capability, but the real-world limit is determined by your external components and heatsinking. Speaking of heatsinking, the ILM723 often requires it, especially when dealing with higher voltages or currents, as power dissipation generates heat. Good thermal management is key to its longevity and stable operation. Input voltage range is another important factor. The ILM723 can typically handle a relatively wide input voltage, giving you flexibility with your input source, whether it’s a transformer, a battery, or another DC-DC converter. However, there’s always a minimum voltage drop required between the input and output for the regulator to function properly; this is known as the dropout voltage . For the 723, this is generally quite low, meaning it’s efficient even when the input voltage is just slightly higher than the desired output. Internal protection features are also a big deal. Most versions include overcurrent protection , which limits the maximum current that can be drawn, preventing damage to the regulator and the load. Thermal shutdown is another lifesaver; if the internal temperature exceeds a safe limit, the IC will temporarily shut down to prevent permanent damage. This is a fantastic safety net for hobbyists who might occasionally push the boundaries. The line regulation and load regulation figures are also worth noting. Line regulation refers to how well the output voltage stays constant when the input voltage fluctuates, while load regulation measures how stable the output is when the current draw changes. The ILM723 generally boasts excellent line and load regulation, meaning your output voltage will be consistently stable under varying conditions. Finally, the temperature stability ensures that the output voltage doesn’t drift significantly with changes in ambient temperature, which is crucial for precision applications. Understanding these specs will empower you to design circuits that are both reliable and performant, ensuring your projects get the clean, stable power they deserve. It’s all about choosing the right components and configuring them correctly, and the ILM723 gives you a great starting point.

Applications of the ILM723 Power Supply

So, where do you actually use an ILM723 power supply ? The versatility of this component means it pops up in a surprising number of places, guys! One of the most common applications is in adjustable bench power supplies . These are the go-to tools for electronics labs and hobbyists, allowing you to dial in precise voltages and currents for testing and prototyping. The ILM723, with its adjustable output and ability to drive external pass transistors, is perfect for building these multi-purpose power units. You can create a single power supply that can output anything from 3V for some logic circuits to 12V for motors, and even higher voltages if needed, all from one unit. Another significant application is in battery charging circuits . Many types of batteries, especially rechargeable ones like lead-acid or lithium-ion, require a specific charging voltage and current profile to charge safely and efficiently. The ILM723 can be configured to provide these precise charging parameters, often with the addition of current limiting to prevent overcharging. Think about charging your car battery or a large backup battery for your off-grid system; a robust power supply based on the 723 can handle that. It’s also a staple in laboratory equipment . Many scientific instruments and test equipment require highly stable and noise-free power rails. The excellent regulation capabilities of the ILM723 make it suitable for these demanding applications where even small voltage fluctuations can skew results. Imagine sensitive oscilloscopes, spectrum analyzers, or data acquisition systems – they all need clean power, and the 723 can deliver. Furthermore, it’s frequently used in power supplies for amateur radio equipment . Transmitters and receivers often require stable DC power, sometimes at significant current levels. The ILM723’s ability to be scaled up with external components makes it ideal for powering these rigs reliably. It’s also found in industrial control systems , where stable power is paramount for the reliable operation of PLCs (Programmable Logic Controllers) and other automation hardware. The ruggedness and protection features of the 723 are highly valued in these environments. Even in simpler projects, like DIY LED power supplies or custom power adapters for specific devices, the ILM723 offers a flexible and cost-effective solution. You can design a power supply tailored exactly to the needs of your project, whether it’s providing the right voltage for a high-power LED array or a specific voltage for an older piece of electronics that lacks a modern power adapter. Its modular nature, allowing for easy integration with current-limiting resistors, fuses, and monitoring circuits, makes it adaptable to a vast array of needs. The core idea across all these applications is the need for a stable, adjustable, and potentially high-current DC power source, which the ILM723, when properly implemented, excels at providing. It’s a testament to good design that a single IC can be so fundamental to such diverse electronic systems.

How to Build with the ILM723

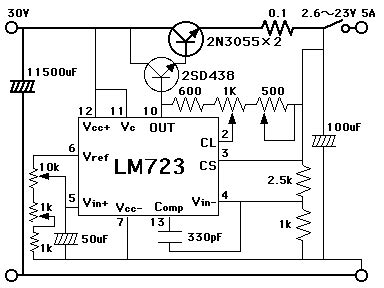
Building a circuit using the ILM723 power supply IC is where the real fun begins for us tinkerers! It’s not just about plugging it in; it’s about understanding how to connect the dots to create a functional power supply. The basic setup involves a few key external components. First off, you’ll need a voltage reference. The ILM723 has an internal voltage reference, which is super convenient. This reference sets the baseline for your output voltage. You then use resistors to create a voltage divider that feeds back a portion of the output voltage to the regulator’s feedback pin. By choosing the values of these resistors, you can precisely set your desired output voltage. It’s like tuning a radio, but for voltage! The formula for this is usually something like Vout = Vref * (1 + R1/R2), where Vref is the internal reference voltage (typically around 7.15V for the LM723), and R1 and R2 are the resistors in your feedback voltage divider. This is crucial , guys, get these resistor values right, and you’re golden. Now, for higher current applications, the ILM723 alone isn’t enough. You’ll need to add an external pass transistor . This is usually a power transistor (like a bipolar junction transistor - BJT, or a MOSFET) that handles the bulk of the current going to your load. The ILM723 acts as the ‘brains,’ controlling the pass transistor to maintain the desired output voltage. The collector (or drain) of the pass transistor is connected to the input voltage, and its emitter (or source) is connected to the output. The base (or gate) of the pass transistor is driven by the ILM723’s output driver. You’ll also need to consider heatsinking for the pass transistor, and possibly the ILM723 itself, especially if you’re dealing with significant power dissipation (which happens when there’s a large voltage difference between input and output, or high current draw). A good heatsink ensures the components don’t overheat and shut down or fail. Input and output capacitors are also essential for stability. An input capacitor helps filter out ripple from your input source, and an output capacitor smooths out any remaining fluctuations and improves transient response – basically, it helps the power supply react quickly to changes in load. Don’t skimp on these; they are vital for clean power. For current limiting, you’ll typically use a small resistor in series with the emitter of the pass transistor (or source for a MOSFET) and connect this resistor to a current sense pin on the ILM723. When the voltage drop across this resistor reaches a certain threshold (indicating excessive current), the ILM723 will ‘fold back’ the output current to protect the circuit. This is a really neat feature that adds a layer of safety. Lastly, always refer to the datasheet for the specific ILM723 variant you are using. Datasheets are packed with detailed schematics, formulas, and recommended component values for various applications. They are your best friend when designing circuits. Building with the ILM723 is a rewarding process that teaches you a lot about power electronics. With careful component selection and proper layout, you can create a robust and reliable power supply tailored to your exact needs.

Troubleshooting Common Issues

Even the best components can run into hiccups, and the ILM723 power supply is no exception. Let’s talk about some common problems you might encounter and how to squash those bugs, guys! One of the most frequent issues is the output voltage not being present or being too low . First things first, double-check your wiring. A loose connection, a misplaced wire, or a solder bridge can easily cause this. Ensure your input voltage is correct and within the specified range for the ILM723. If you’re using the voltage divider resistors to set the output, check their values. Are they the correct ones specified in your design or the datasheet? A faulty resistor or one with the wrong value is a prime suspect. Also, verify the feedback loop is intact – is the output voltage actually reaching the feedback pin? If the output is too low, it could also be due to excessive current draw . Your load might be demanding more current than your pass transistor or the ILM723 can safely provide, causing the protection circuits to kick in. Try disconnecting the load and see if you get the correct voltage. If you do, the problem lies with your load or your current-limiting setup. Ensure your heatsinks are adequate; overheating can cause the regulator to shut down or perform erratically. Another issue is unstable or fluctuating output voltage . This often points to inadequate filtering or decoupling. Check your input and output capacitors. Are they the correct capacitance value and rating? Are they connected properly? Old or damaged capacitors can lose their effectiveness. Sometimes, poor layout can introduce noise; ensure ground connections are solid and trace lengths are kept short, especially around the feedback loop. If you’re hearing an audible hum (often a 50Hz or 60Hz hum), it’s typically a sign of insufficient filtering of the AC ripple from your input source, especially if you’re using a transformer-based supply. You might need a larger filter capacitor before the regulator or a better-designed rectifier stage. The power supply shutting down unexpectedly is usually a sign of overheating or overcurrent . Make sure your heatsinks are properly mounted and making good thermal contact. Check the temperature of the IC and the pass transistor. If they’re too hot to touch, you need better heatsinking or a lower-power design. Alternatively, your load might be intermittently drawing too much current. You can try increasing the current limit threshold if your design allows, but only if you’re confident it won’t damage the components. If the ILM723 seems completely dead – no output, no indicators – check for shorts. A direct short circuit on the output can fry components instantly. Also, verify that the IC itself isn’t damaged. Sometimes, a component might fail completely. If you’ve tried everything else, you might need to swap out the ILM723 IC itself. Always remember to discharge capacitors before working on the circuit, and be careful when probing live circuits. Safety first, guys! By systematically checking these common failure points, you can usually diagnose and fix most issues with your ILM723 power supply projects.

Conclusion

So there you have it, folks! We’ve journeyed through the essential aspects of the ILM723 power supply , from its fundamental role as a voltage regulator to its diverse applications and the practicalities of building and troubleshooting circuits with it. The ILM723 stands out as a remarkably versatile and reliable component, a true workhorse in the realm of electronics. Its adjustable output, coupled with the capability to drive external pass transistors for high-current needs, makes it a foundational piece for countless projects. Whether you’re crafting a sophisticated bench power supply for your lab, designing a robust battery charger, or powering sensitive equipment, the ILM723 offers a dependable solution. We’ve seen how understanding its key features – like adjustable voltage, current handling, and built-in protection mechanisms – is crucial for effective implementation. Remember those feedback resistors and the importance of proper heatsinking and decoupling capacitors; they are the unsung heroes of a stable power supply. Troubleshooting common issues, from absent voltages to unexpected shutdowns, often boils down to meticulous checks of wiring, component values, and thermal management. By approaching problems systematically, you can keep your ILM723 circuits running smoothly. Ultimately, the ILM723 is more than just an IC; it’s an enabler of creativity and innovation in electronics. It empowers hobbyists and professionals alike to build custom power solutions that meet specific needs, fostering a deeper understanding of electronic principles along the way. So, next time you’re planning a project that requires a stable power source, don’t overlook the enduring power and flexibility of the ILM723. Keep experimenting, keep building, and most importantly, keep the electrons flowing reliably! Happy building, everyone!