LM7805CT Voltage Regulator: Stable 5V Power Made Easy

F.Radio 90 views
LM7805CT Voltage Regulator: Stable 5V Power Made Easy

LM7805CT Voltage Regulator: Stable 5V Power Made Easy

Introduction to the LM7805CT Voltage Regulator

Hey there, fellow electronics enthusiasts! Ever found yourself needing a rock-solid, stable 5V power supply for your projects, but weren’t sure how to get it without a complex circuit? Well, you’re in luck because today we’re diving deep into the world of the LM7805CT voltage regulator , a true hero in the realm of power management. This little three-legged component is an absolute game-changer for anyone working with microcontrollers, sensors, or any other 5V logic circuitry. It’s incredibly reliable, easy to use, and surprisingly affordable, making it a staple in countless hobbyist and professional designs alike. The LM7805CT isn’t just a part; it’s a solution that takes a higher, unregulated DC input voltage and consistently knocks it down to a precise, unwavering 5 volts. Think about all those times you’ve powered an Arduino or a Raspberry Pi — chances are, something like an LM7805CT or its close cousin was silently working behind the scenes, ensuring everything ran smoothly. Understanding this component isn’t just about memorizing its datasheet; it’s about appreciating the simplicity and effectiveness it brings to complex power scenarios. Whether you’re building a robot, a home automation system, or just a simple LED driver, knowing how to properly implement the LM7805CT can save you a ton of headaches related to unstable power, component damage, and unpredictable circuit behavior. So, buckle up, guys, because we’re about to explore everything from its basic function to advanced application tips, ensuring you’re fully equipped to harness the power of this fantastic voltage regulator . This comprehensive guide aims to not only explain what it is but also why it’s so incredibly useful and how to get the most out of it in your own innovative projects. By the end of this article, you’ll be a pro at integrating the LM7805CT into your designs, ensuring all your sensitive 5V components receive the clean, stable power they desperately need to perform optimally. Let’s make your next project a beacon of reliability with the help of this tiny but mighty power workhorse!

What is the LM7805CT Voltage Regulator?

So, what exactly is the LM7805CT voltage regulator , and why should you care about it? At its core, the LM7805CT is a linear voltage regulator designed to provide a fixed +5V output. The ‘LM’ prefix often refers to National Semiconductor (now Texas Instruments), ‘78’ indicates a positive voltage regulator, and ‘05’ signifies a 5-volt output. The ‘CT’ typically refers to the TO-220 package, which is that familiar black plastic case with a metal tab for heat dissipation. This component is part of the incredibly popular 78xx series of fixed linear voltage regulators, which are renowned for their simplicity, robustness, and ease of use. Unlike switching regulators, which can be more complex and sometimes introduce noise, the LM7805CT offers a clean, ripple-free output voltage, making it ideal for noise-sensitive applications like audio circuits or precise sensor measurements. Its primary function is to maintain a constant 5-volt output regardless of fluctuations in the input voltage (as long as the input is within its specified range, usually 7V to 25V, and always higher than the output by at least 2V to 3V) or changes in the load current. This stability is crucial for delicate electronic components that could be damaged or behave erratically with an inconsistent power supply. Imagine trying to run a sensitive microcontroller, like an ESP32 or a basic Arduino board, directly from a battery whose voltage dips and rises. Without a regulator like the LM7805CT , your microcontroller might crash, malfunction, or even suffer permanent damage. This tiny device, therefore, acts as a guardian, shielding your precious components from the often unpredictable nature of raw power sources. Its internal architecture, which we’ll touch upon later, uses a reference voltage, an error amplifier, and a pass transistor to continuously adjust its output to maintain that perfect 5V. It’s truly a testament to intelligent circuit design packaged into a humble component. When you’re building prototypes, learning electronics, or even designing commercial products, the LM7805CT simplifies the power supply design significantly, allowing you to focus on the core functionality of your circuit rather than complex power conditioning. It’s a fundamental building block in modern electronics, and understanding its role is key to building reliable and robust systems. For many beginners, grasping how to correctly integrate an LM7805CT is one of the first major steps towards mastering practical electronics, and for good reason – it’s that essential, guys. Every electronics toolbox should have a few of these handy components ready for action, because sooner or later, you’ll definitely need that stable 5V power .

Key Features and Specifications of the LM7805CT

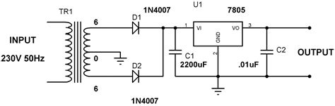
Alright, let’s get down to the nitty-gritty and talk about the key features and specifications that make the LM7805CT voltage regulator such a popular choice among electronics enthusiasts and professionals alike. Understanding these details is crucial for correctly implementing this component in your designs and ensuring optimal performance and longevity. First and foremost, the LM7805CT provides a fixed 5V output voltage , which is absolutely perfect for powering a vast array of digital logic circuits, microcontrollers (like Arduino, ESP8266, ESP32, or PICs), and many sensors that operate on a 5V supply. This fixed output means you don’t need external components to set the voltage, simplifying your circuit design considerably. Another standout feature is its output current capability , typically up to 1 Ampere (1A) . This 1A current rating is more than sufficient for most small to medium-sized projects, from driving a few LEDs and a microcontroller to powering small motors or several integrated circuits simultaneously. Of course, always remember that delivering 1A continuously, especially with a large difference between input and output voltage, will generate significant heat, so proper heat sinking is vital, a point we’ll definitely revisit. The input voltage range is another critical specification. The LM7805CT generally requires an input voltage between 7V and 25V DC . While some datasheets might push this range a bit, sticking within this sweet spot ensures reliable operation. Remember, the input voltage must be at least 2V to 3V higher than the output voltage for the regulator to function correctly (this is known as the dropout voltage ). So, if you’re aiming for 5V out, you’ll need at least 7V in. But don’t go too high with the input either, as higher input voltages mean more power is dissipated as heat, potentially leading to overheating and thermal shutdown. Speaking of heat, the LM7805CT incorporates internal thermal overload protection . This is a fantastic safety feature, guys! If the chip gets too hot – say, due to excessive current draw or inadequate heat sinking – it will automatically shut down to prevent permanent damage. Once it cools down, it will typically resume operation. This protects both the regulator and the downstream components, adding a layer of robustness to your designs. Furthermore, it includes short-circuit protection , meaning if the output gets accidentally shorted to ground, the regulator limits the current to a safe level, preventing catastrophic failure. This kind of built-in protection makes the LM7805CT incredibly forgiving, especially for those of us who might occasionally make a wiring mistake during prototyping. The component is also known for its relatively low quiescent current , which is the current it draws for its own operation, even when no load is connected. This makes it reasonably efficient for applications where power consumption is a concern, though it’s important to remember that as a linear regulator, it’s inherently less efficient than a switching regulator when there’s a large voltage drop across it. Finally, the LM7805CT typically comes in the TO-220 package , a through-hole component with three pins (Input, Ground, Output) and a metal tab. This package is easy to work with on breadboards and PCBs, and the metal tab is designed for easy attachment of a heatsink, which is often necessary to dissipate heat generated during operation, especially when drawing higher currents or when the input-output voltage differential is large. Knowing these specifications helps you make informed decisions, ensuring your power delivery is both stable and safe.

How Does the LM7805CT Work?

Let’s pull back the curtain a bit and understand the magic behind how the LM7805CT voltage regulator actually works to deliver that pristine 5V output. While the internal circuitry can look a bit complex on a full schematic, the fundamental principle is quite straightforward and relies on a concept called feedback . Imagine you have a diligent little assistant inside the LM7805CT whose sole job is to constantly monitor the output voltage and ensure it stays exactly at 5V. If it notices the output starting to drop, it opens a