OS 21XZB Engine: Ultimate Repair & Performance Guide

F.Radio 124 views
OS 21XZB Engine: Ultimate Repair & Performance Guide

OS 21XZB Engine: Ultimate Repair & Performance Guide

Diving Deep into the OS 21XZB Engine: A Comprehensive Overview

Alright, gearheads, let’s talk about the OS 21XZB engine , a powerhouse in the world of model car racing! This engine has earned a reputation for its reliability, performance, and the sheer thrill it brings to the hobby. Whether you’re a seasoned racer or a newcomer looking to get the most out of your RC car, understanding the OS 21XZB is key. In this article, we’re diving deep into everything you need to know: from its core components and how they function, to detailed troubleshooting tips, performance tuning, and the best ways to keep your engine running smoothly. We’ll cover everything from the basics to advanced techniques, ensuring you can confidently tackle any issue and maximize your engine’s potential.

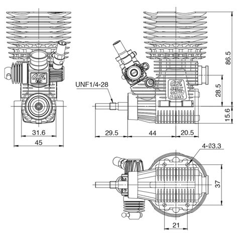
The OS 21XZB is a .21-size engine, which means it’s designed for high-performance racing. It’s often found in 1 8 scale on-road and off-road vehicles, where its robust construction and impressive power delivery make it a top choice for serious racers. Unlike electric motors, nitro engines like the 21XZB offer a unique experience. They provide a raw, visceral feel, with the sound and smell of a real engine, making every race incredibly exciting. This engine is built to handle the rigors of competitive racing, with features like a durable crankshaft, a high-quality carburetor, and a sophisticated cooling system. Its design prioritizes both power output and longevity. Its popularity stems from a blend of excellent craftsmanship, ease of maintenance (relatively speaking, of course), and readily available spare parts. Understanding the engine’s specifications is essential. The displacement of the 21XZB is .21 cubic inches, a factor that influences its power output and how it behaves at different RPMs. The engine typically features a pull-start mechanism, although some versions may use a starter box. The carburetor plays a crucial role in delivering the correct fuel-air mixture, and the glow plug ignites the fuel, setting off the combustion process. The cooling head dissipates heat, preventing overheating and maintaining optimal performance. Overall, the OS 21XZB is a complex yet rewarding engine, offering a fantastic blend of power, reliability, and tuning potential, making it a favorite among RC enthusiasts.

Key Components and Their Functions

Let’s break down the main parts of the OS 21XZB and what they do. First up, we have the crankshaft , which converts the reciprocating motion of the piston into rotational motion, driving the rest of the drivetrain. It’s built to withstand immense forces, which is why it’s usually made from hardened steel. The piston and sleeve are another critical pair. The piston moves up and down inside the sleeve, compressing the fuel-air mixture. The precise fit and material of these parts impact compression and overall engine efficiency. Next, there’s the connecting rod , a vital link between the piston and crankshaft, transferring the force generated by combustion. Its strength is essential, as a failure here can lead to catastrophic engine damage. The carburetor is the engine’s fuel-delivery system. It mixes fuel and air in the correct ratio, allowing the engine to run at various speeds and loads. Tuning the carburetor is crucial for maximizing performance and fuel efficiency. Finally, the cooling head is designed to dissipate heat from the engine. Overheating can seriously damage the engine, so a well-designed cooling head is essential for maintaining performance and preventing damage. The shape and design of the cooling head facilitate airflow, ensuring the engine stays within its operating temperature range. Each component plays a vital role, and their synergy makes the OS 21XZB the performance powerhouse it is.

Troubleshooting Common OS 21XZB Issues: Solutions and Quick Fixes

Alright, let’s get into the nitty-gritty of keeping your OS 21XZB running in tip-top shape. Even the best engines can run into trouble, but don’t panic! We’re here to help you diagnose and fix common issues. First, let’s talk about engines that refuse to start. The most common culprit is usually the glow plug . Make sure it’s properly connected and glowing when you apply power. If it’s not, you may need to replace the glow plug or check your glow plug igniter. Next, check your fuel supply. Is the fuel line connected properly? Are there any leaks? Is your fuel fresh, and of the correct nitro percentage? Fuel that’s too old or of the wrong composition can prevent the engine from starting. Also, make sure the carburetor is set correctly. Too lean, and the engine won’t get enough fuel; too rich, and it might flood. Adjust your high-speed and low-speed needles according to the manufacturer’s recommendations. It is also important to consider compression issues. If the engine doesn’t have good compression, it won’t be able to ignite the fuel-air mixture. A worn-out piston or sleeve can reduce compression. A simple test is to try and turn the flywheel by hand. If it offers little resistance, you might have a compression problem.

Another common issue is that the engine won’t stay running. If your engine starts but quickly dies, it’s often a sign of a lean fuel mixture. Open the high-speed needle slightly (a quarter turn at a time) to richen the mixture. Always make small adjustments and allow the engine to respond. Overheating is another concern. If your engine gets too hot, it will lose power and potentially damage internal components. Ensure your cooling head is clean, and that the engine has proper airflow. Check for any blockages that might be restricting airflow. If it continues to overheat, you may need to adjust the fuel mixture to make it richer, or consider using a different glow plug. Finally, always listen to your engine. Unusual noises can be early warning signs of more significant problems. A knocking sound might indicate a loose connecting rod or bearing failure. If you hear anything out of the ordinary, stop running the engine and investigate the cause. Addressing these issues promptly can prevent costly repairs and keep your OS 21XZB running smoothly.

Step-by-Step Troubleshooting Guide

Let’s walk through a systematic approach to troubleshooting your OS 21XZB engine. First, check the basics . Before you tear anything apart, ensure the fuel tank is filled with fresh fuel. Verify that your battery is charged and that the glow plug igniter is working correctly. It is always wise to begin with the basics, this can help you avoid unnecessary complexity. Next, perform a compression test . Pinch the fuel line to prevent fuel from entering the engine. Then, turn the flywheel by hand. You should feel strong compression. If the compression is weak, you may have a worn piston, sleeve, or a leak. After that, inspect the glow plug . Remove the glow plug and check its condition. Look for any signs of damage or wear. Use a glow plug igniter to ensure it glows brightly. Replace the glow plug if it appears damaged or if it doesn’t glow. Then, it’s time to check the carburetor . Ensure the needles are set close to the factory settings. Start with the high-speed needle at about 2.5-3 turns out from fully closed, and the low-speed needle at its default setting. Adjust as needed. If the engine still won’t start, check the fuel lines and filter . Look for any kinks, leaks, or blockages. Ensure the fuel filter is clean. Replace any damaged or blocked components. In case the engine starts but dies, adjust the carburetor settings . Slowly richen the high-speed needle a quarter turn at a time until the engine runs smoothly. Once the engine runs, carefully monitor the engine temperature . Use an infrared thermometer to measure the temperature of the cooling head. Aim for a temperature range specified in the manufacturer’s documentation. If the engine overheats, richen the fuel mixture. Finally, always listen to the engine . Pay attention to any unusual sounds. Knocking or other strange noises might indicate internal damage. If you’re not sure, seek help from a qualified RC mechanic. By methodically following these steps, you can accurately diagnose and address the majority of issues with your OS 21XZB.

Optimizing Performance: Tuning Your OS 21XZB Engine

Now for the fun part: getting the absolute most out of your OS 21XZB! Tuning is an art and a science, but with a little patience and the right knowledge, you can significantly improve your engine’s power and efficiency. Carburetor Tuning is the cornerstone of performance optimization. The carburetor controls the fuel-air mixture, which directly affects how the engine runs. The high-speed needle adjusts the fuel flow at high RPMs, while the low-speed needle controls the idle and transition from low to high speeds. Begin by setting the needles to their factory settings. Typically, this means opening the high-speed needle a few turns from fully closed and setting the low-speed needle near its default.

To tune the high-speed needle , start by running the engine on a flat surface. Once the engine is up to operating temperature, make small adjustments to the high-speed needle. If the engine is sluggish or doesn’t reach its peak RPM, richen the mixture (open the needle slightly). If it bogs down or stalls, lean out the mixture (close the needle slightly). Listen to the sound of the engine. A well-tuned engine will have a smooth, powerful sound without sputtering. The low-speed needle controls the idle and how the engine responds when you apply the throttle. A lean low-speed setting can cause the engine to hesitate or die when you accelerate. A rich setting will make the engine sluggish and smoky at low speeds. Adjust this needle in small increments until the engine idles reliably and responds quickly to throttle input. When adjusting, it’s essential to consider fuel type and glow plug selection . The nitro percentage of your fuel affects the engine’s performance. Higher nitro content generally provides more power but also generates more heat. The glow plug’s heat range should match your fuel and operating conditions. A hotter plug is suitable for lower nitro content or cooler temperatures, while a colder plug is better for higher nitro content and hotter environments.

Advanced Tuning Techniques

For those of you who want to take your tuning to the next level, here are some advanced techniques. Temperature Monitoring is essential. Use an infrared thermometer to monitor the engine’s temperature. This helps you identify overheating, which can lead to performance loss and engine damage. The ideal operating temperature will vary depending on your fuel, glow plug, and environmental conditions, but generally, the cooling head temperature should be within the manufacturer’s specified range. Piston-to-Sleeve Fit is also critical. A good piston-to-sleeve fit maximizes compression and power. When the engine is new, the fit is usually tight, but it loosens over time. If your engine has lost compression, you may need to replace the piston and sleeve. Finally, consider airflow optimization . Ensure that your cooling head is clean and that the engine has adequate airflow. You may also want to experiment with different air filters to improve airflow and protect the engine from dirt and debris. Always remember to make small adjustments, document your settings, and allow the engine to respond. Patience and observation are key to mastering the art of tuning the OS 21XZB.

Maintenance and Care: Keeping Your OS 21XZB Running Strong

Alright, let’s talk about keeping your OS 21XZB in tip-top shape. Regular maintenance is key to maximizing performance and extending the engine’s lifespan. Cleaning is a fundamental part of engine care. After each run, clean your engine thoroughly. Use a specific engine cleaner or denatured alcohol to remove dirt, fuel residue, and any other debris. Pay close attention to the cooling head and carburetor. Ensure that the cooling fins are clean to allow for efficient heat dissipation. Fuel Choice and Storage also matter. Always use high-quality fuel from a reputable source. Store your fuel in a cool, dry place away from sunlight. After running, use after-run oil to lubricate the engine’s internal components and prevent corrosion. This is a must-do step. To prevent the fuel from drying out, it is wise to run the engine dry after each use.

Regular Inspection and Component Replacement are also necessary. Inspect your engine regularly for any signs of wear or damage. Look for leaks, loose components, and any unusual wear on the piston and sleeve. Replace any worn or damaged parts immediately. Pay special attention to the glow plug, crankshaft, and connecting rod. Follow the manufacturer’s recommended service intervals for component replacement. Proper Break-In Procedures are essential for new engines. Break-in involves running the engine at a slightly rich mixture for the first few tanks of fuel to allow the components to seat properly. This helps to extend the engine’s lifespan and improve its performance. Always follow the manufacturer’s recommendations for the break-in process. Keep in mind that a well-maintained engine will run more reliably, provide better performance, and last longer. By implementing these maintenance practices, you can ensure that your OS 21XZB continues to deliver top-notch performance for years to come.

Essential Maintenance Checklist

Let’s outline a handy maintenance checklist to help you stay organized. After each run, you should begin by cleaning the engine . Remove any debris, fuel residue, and dirt. Use an engine cleaner or denatured alcohol. Then, always apply after-run oil . This step is crucial for preventing corrosion. Fill the engine with after-run oil to lubricate internal components. You can then check the fuel system . Inspect fuel lines for leaks and ensure your fuel filter is clean. Make sure the fuel tank is properly secured. Also, inspect the glow plug . Check the glow plug for wear and replace it if necessary. Ensure the glow plug igniter is working correctly. As part of your inspection, you need to check for leaks . Look for fuel or air leaks around the carburetor, crankcase, and backplate. Tighten any loose screws and replace any worn seals. Always check the compression . Turn the flywheel by hand and feel for strong compression. If the compression feels weak, inspect the piston, sleeve, and connecting rod. Before you put your car away, it is essential to inspect the air filter . Check for dirt and debris. Clean or replace the air filter as needed. Finally, every few runs, you need to check the engine temperature . Use an infrared thermometer to ensure that the engine is running within its optimal temperature range. Record your settings, and keep a log of maintenance activities. This will help you identify any recurring issues and maintain peak engine performance. By following this checklist and staying on top of your maintenance, your OS 21XZB engine will be ready for action every time.